 
						Any device containing one or more Bellows (a flexible, corrugated member) with End Connections
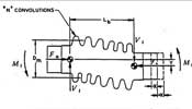
A flexible element, having one or more corrugations / convolutions and end tangents with Lb/Db ≤ 3.
The straight un-convoluted portion at the end of the Bellows is termed as tangent.
 
						Any pipe connecting two points is subjected to numerous types of forces, which result in stresses on its wall.
The basic causes of these stresses are:
Since a pipe under internal pressure or vacuum will have its wall subjected to circumferential and longitudinal loading, introducing a discontinuous member such as a Bellows will transfer the longitudinal-pressure forces to the main anchors.
Pressure thrust is the product of internal pressure times the Bellows effective area.
The effective area / pressure thrust area of a Bellows is based on the mean diameter of the Bellows convolutions.
If adequate anchors cannot be provided to absorb the pressure thrust or if connected equipment cannot accept the pressure thrust loading then the joint must be equipped with tie rods. However a tie arrangement equipped Bellows cannot absorb the axial movement.
If proper anchors and guides are not present, the Bellows will deform due to pressure loading leading to total failure.
 
								 
								 
								The force required to deflect a Bellows axially.
The spring rate is a function of the dimensions of the Bellows and the material from which it is made.
The dimensional shortening of an Expansion Joint due to thermal expansion of pipe and / or dimensional increment due to pipe contraction along its axis.
 
						The relative displacement two end of the Expansion Joint, perpendicular to its axis due to thermal expansion / contraction of the pipe
 
								 
								The Rotational displacement of the longitudinal axis from its initial straight line position into a circular arc.
 
					The dimensional shortening of an Expansion Joint due to thermal expansion of pipe and / or dimensional increment due to pipe contraction along its axis.
 
					 
						Column squirm is a gross lateral shift of the centre section of the Bellows. It results in curvature of the Bellows centre line.
 
						In-plane squirm is a shift or rotation of the plane of one or more convolutions such that the plane of these convolutions is no longer perpendicular to the axis of the Bellows.